Описание
Характеристики
Отзывы
Описание
Дизельный двигатель Excalibur разработан для установки на мототехнику различного назначения. Подходит для установки на генераторы электроэнергии, виброплиты, вибротрамбовки, резчики швов, заглаживающие, фрезеровальные машины, мини тракторы, мотоблоки, снегоходы, картинги, квадроциклы, лодочные моторы, мотопомпы и другую всевозможную технику. Эти двигатели сочетают в себе надежность и высокие эксплутационные характеристики. Двигатели поставляются в различной комплектации, поэтому каждый покупатель может выбрать оптимальный для себя вариант.КОМПЛЕКТАЦИЯ 0:Без бака, глушителя, ручного стартера, электрического стартера.
Характеристики
Артикул
019164
Пусковое устройство (стартер)
Стартер ручной.
Мощность номинальная кВт/л.с.
7,5/10,2
Мощность номинальная кВт/л.с. (3600 об/мин)
11,03/15
Частота вращения коленвала (об/мин)
3000
Рабочий объём двигателя (л)
0,499
Система охлаждения
Воздушная
Расположение цилиндров
Вертикальное
Тактность двигателя
4
Количество цилиндров
1
Вид топлива
Дизель,
Дт
Рекомендуемый тип масла
SAE 10W-30
Удельный расход топлива (г/кВт*ч)
276
Удельный расход масла (г/кВт*ч)
4
Гарантия, срок (мес)
12
Рабочий объем, см3
498,
499
Ёмкость масляной системы (л)
1.6
Аналоги
Lifan 192F, KD192FE
Бак, л
6.5
Мощность номинальная кВт/л.с. (3000 об/мин)
8,61/11,71
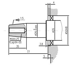
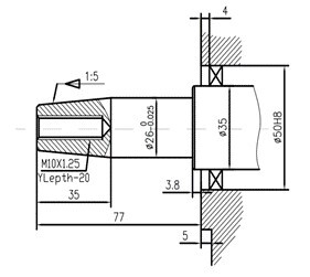
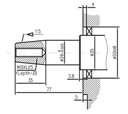
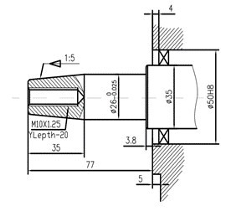
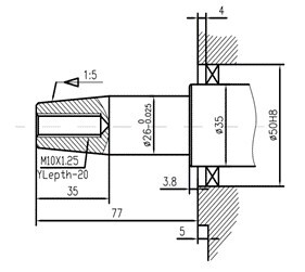
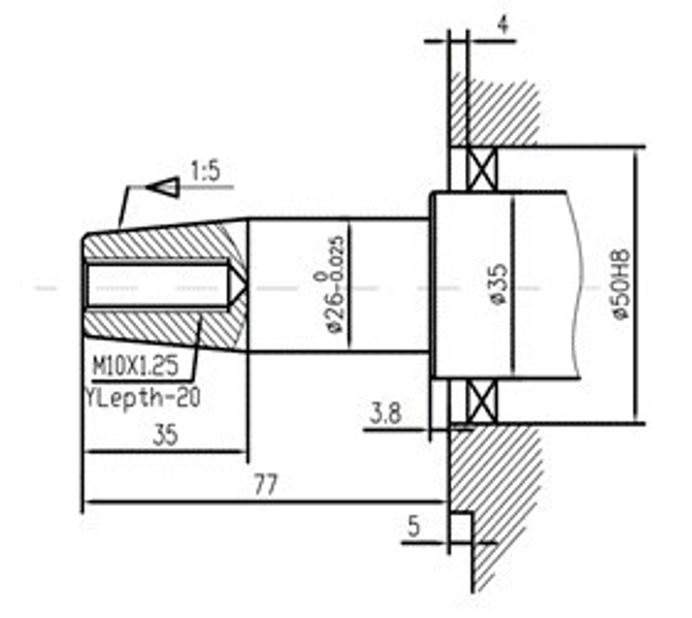
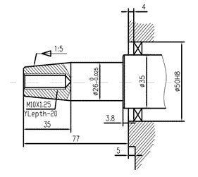
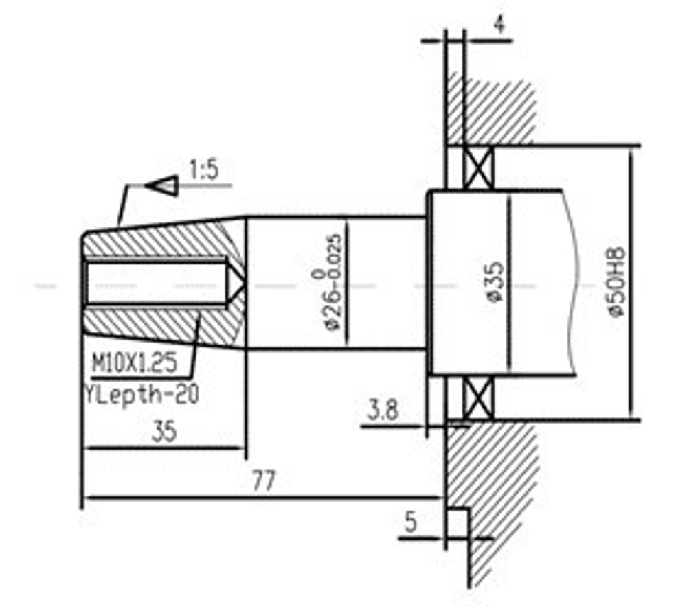
Тип вала
Конусный. D-26 mm, L - 73.2 mm,
B-тип, Конус. D-26 mm, L-75 mm
Комплектация
Без бака, глушителя, ручного стартера, электрического стартера.,
Фильтр воздушный.
Масса, кг
50,
49
Вес брутто (кг)
49
Все характеристики
Отзывы
Отзывов еще никто не оставлял
Ранее просмотренные
