Описание
Характеристики
Отзывы
Описание
Дизельный двигатель Excalibur разработан для установки на мототехнику различного назначения. Подходит для установки на генераторы электроэнергии, виброплиты, вибротрамбовки, резчики швов, заглаживающие, фрезеровальные машины, мини тракторы, мотоблоки, снегоходы, картинги, квадроциклы, лодочные моторы, мотопомпы и другую всевозможную технику. Эти двигатели сочетают в себе надежность и высокие эксплутационные характеристики. Двигатели поставляются в различной комплектации, поэтому каждый покупатель может выбрать оптимальный для себя вариант.КОМПЛЕКТАЦИЯ 0:Без бака, глушителя, ручного стартера, электрического стартера.
Характеристики
Артикул
025580
Мощность номинальная кВт/л.с.
6,3/8,57
Мощность номинальная кВт/л.с. (3600 об/мин)
7.4/10
Частота вращения коленвала (об/мин)
3600
Рабочий объём двигателя (л)
0,418
Система охлаждения
Воздушная
Расположение цилиндров
Вертикальное,
Вертикально
Тактность двигателя
4
Количество цилиндров
1
Вид топлива
Дизель,
Дт
Рекомендуемый тип масла
SAE 10W-30
Удельный расход топлива (г/кВт*ч)
276
Удельный расход масла (г/кВт*ч)
4
Гарантия, срок (мес)
12
Рабочий объем, см3
406,
418
Ёмкость масляной системы (л)
1.6
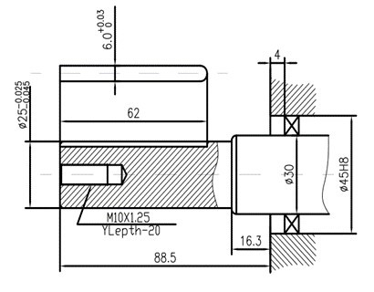
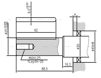
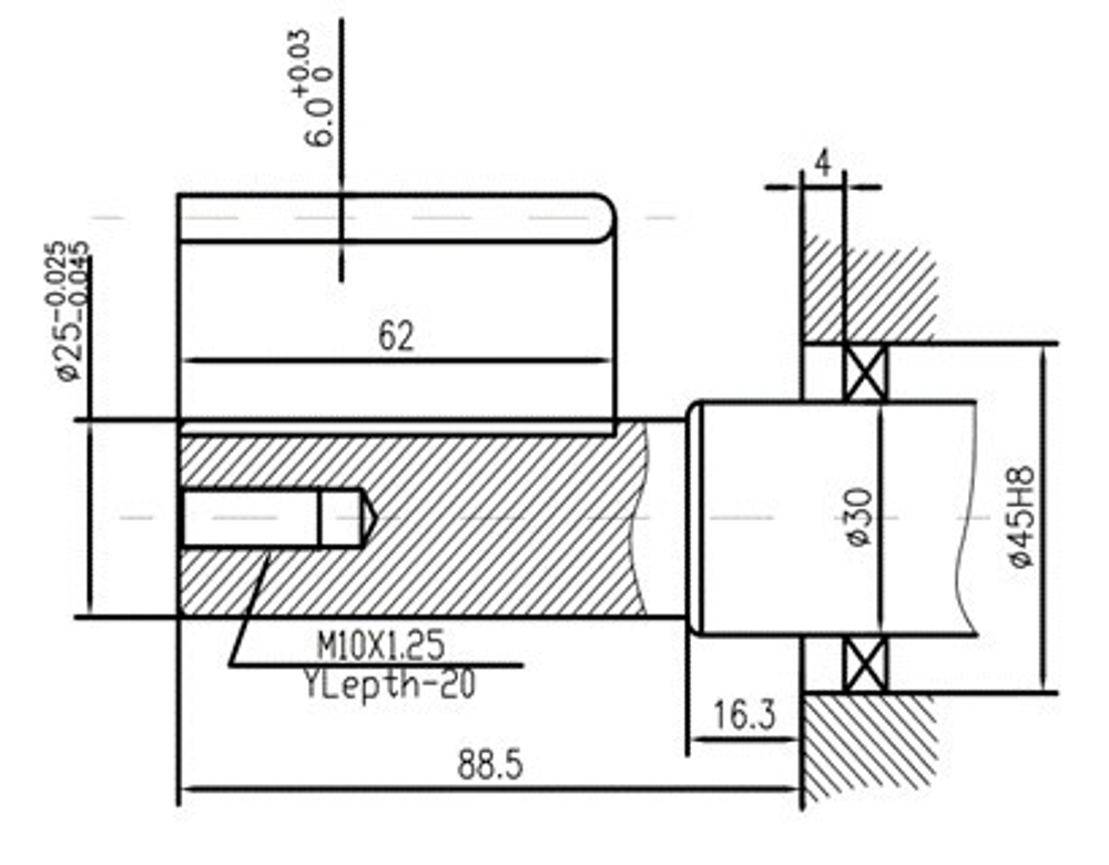
Диаметр вала, мм
25
Аналоги
Lifan 186F, Kipor KM186F
Бак, л
5.5
Тип вала
Цилиндр под шпонку. D-25 mm, L - 72.2 mm,
А1-тип, под шпонку. D-25 mm, L - 72.2 mm
Комплектация
Без бака, глушителя, ручного стартера, электрического стартера.,
Фильтр воздушный.
Масса, кг
45
Вес брутто (кг)
45
Все характеристики
Отзывы
Отзывов еще никто не оставлял
Ранее просмотренные
