Описание
Характеристики
Отзывы
Описание
Бензиновый двигатель Excalibur разработан для установки на мототехнику различного назначения. Подходит для установки на генераторы электроэнергии, виброплиты, вибротрамбовки, резчики швов, заглаживающие, фрезеровальные машины, мини тракторы, мотоблоки, снегоходы, картинги, квадроциклы, лодочные моторы, мотопомпы и другую всевозможную технику. Эти двигатели сочетают в себе надежность и высокие эксплутационные характеристики. Двигатели поставляются в различной комплектации, поэтому каждый покупатель может выбрать оптимальный для себя вариант.КОМПЛЕКТАЦИЯ 3:Бак, глушитель, ручной, электро старт.
Характеристики
Артикул
026255
Мощность номинальная, кВт
12.5
Мощность максимальная, кВт
14.7
Пусковое устройство (стартер)
Электростартер, Стартер ручной.
Мощность номинальная кВт/л.с.
9,2/12,5,
12,5/17
Мощность номинальная кВт/л.с. (3600 об/мин)
14,7/20
Частота вращения коленвала (об/мин)
3600
Рабочий объём двигателя (л)
0,460
Система охлаждения
Воздушная
Расположение цилиндров
Вертикальное
Тактность двигателя
4
Количество цилиндров
1
Вид топлива
Бензин,
АИ-92
Рекомендуемый тип масла
SAE 10W-30
Удельный расход топлива (г/кВт*ч)
313
Гарантия, срок (мес)
12
Рабочий объем, см3
460
Ёмкость масляной системы (л)
1.1
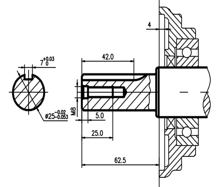
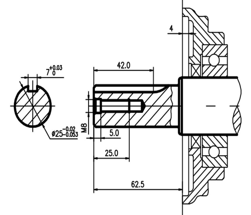
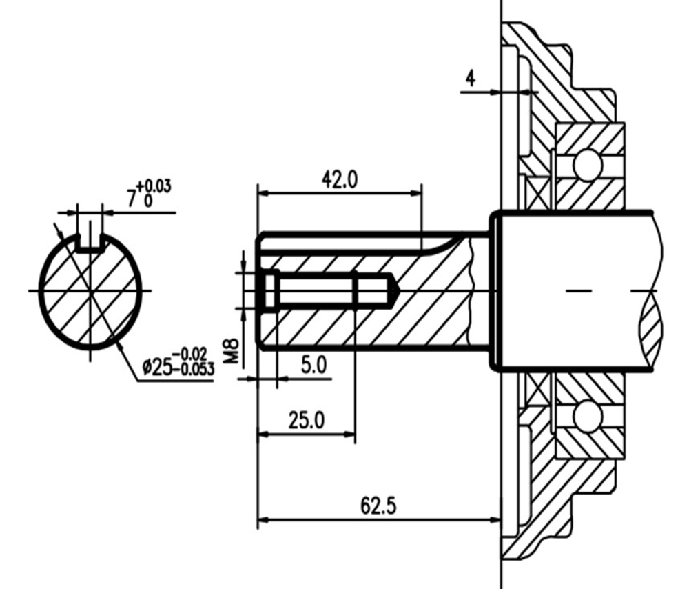
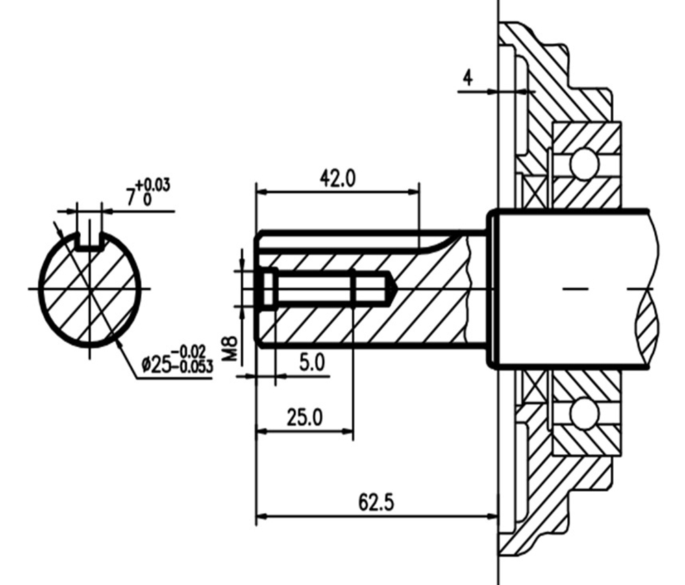
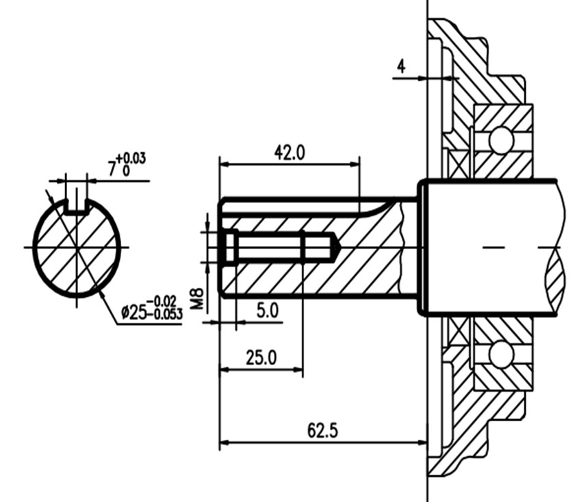
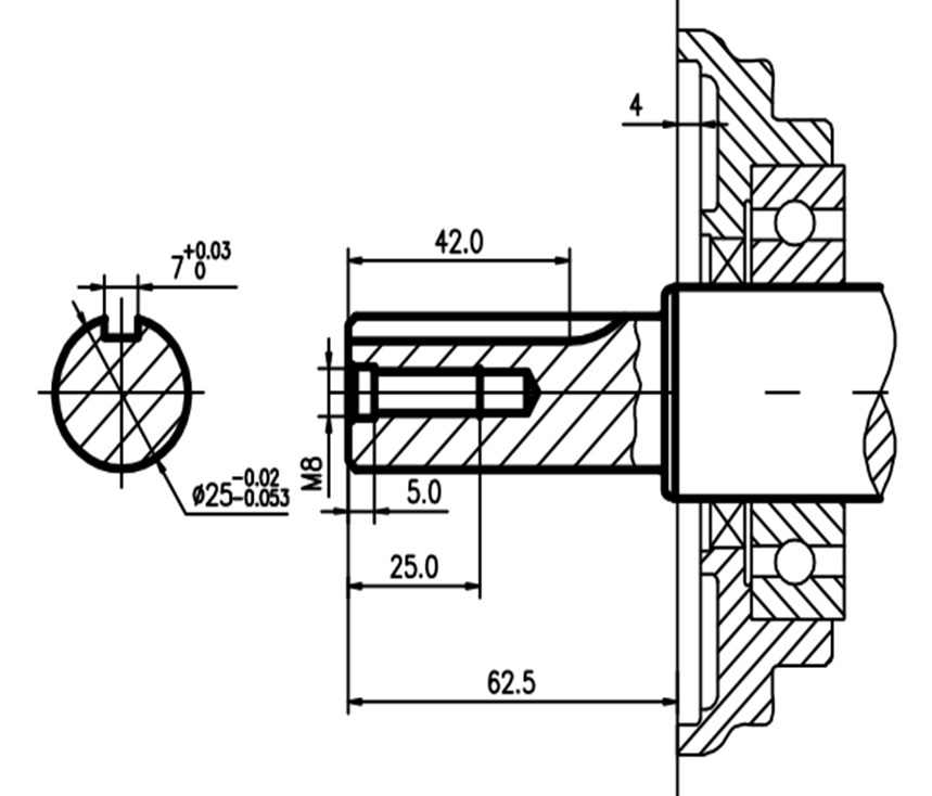
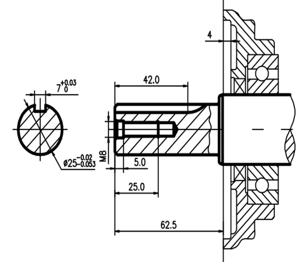
Диаметр вала, мм
25
Аналоги
Lifan 192F (KP460)
Бак, л
6.5
Мощность номинальная кВт/л.с. (3000 об/мин)
12,5/17
Тип вала
Цилиндр под шпонку. D-25 mm, L - 62.5 mm
Комплектация
Бак, глушитель, ручной, электро старт.,
Фильтр воздушный, Бак топливный, Глушитель, Стартер ручной, Электростартер.
Масса, кг
36,
35
Вес брутто (кг)
38
Все характеристики
Отзывы
Отзывов еще никто не оставлял
Ранее просмотренные
