Описание
Характеристики
Отзывы
Описание
Бензиновый двигатель Excalibur разработан для установки на мототехнику различного назначения. Подходит для установки на генераторы электроэнергии, виброплиты, вибротрамбовки, резчики швов, заглаживающие, фрезеровальные машины, мини тракторы, мотоблоки, снегоходы, картинги, квадроциклы, лодочные моторы, мотопомпы и другую всевозможную технику. Эти двигатели сочетают в себе надежность и высокие эксплутационные характеристики. Двигатели поставляются в различной комплектации, поэтому каждый покупатель может выбрать оптимальный для себя вариант.КОМПЛЕКТАЦИЯ 1:Бак, глушитель, ручной стартер.
Характеристики
Артикул
026253
Мощность номинальная, кВт
12.5
Мощность максимальная, кВт
14.7
Пусковое устройство (стартер)
Стартер ручной
Удельный расход топлива (г/кВт*ч)
313
Частота вращения коленвала (об/мин)
3600
Рабочий объём двигателя (л)
0,460
Система охлаждения
Воздушная
Расположение цилиндров
Вертикальное
Тактность двигателя
4
Количество цилиндров
1
Вид топлива
Бензин,
АИ-92
Рекомендуемый тип масла
SAE 10W-30
Гарантия, срок (мес)
12
Рабочий объем, см3
460
Ёмкость масляной системы (л)
1.1
Мощность номинальная кВт/л.с.
9,2/12,5,
12,5/17
Мощность номинальная кВт/л.с. (3600 об/мин)
14,7/20
Аналоги
Lifan 192F (KP460)
Бак, л
6.5
Мощность номинальная кВт/л.с. (3000 об/мин)
12,5/17
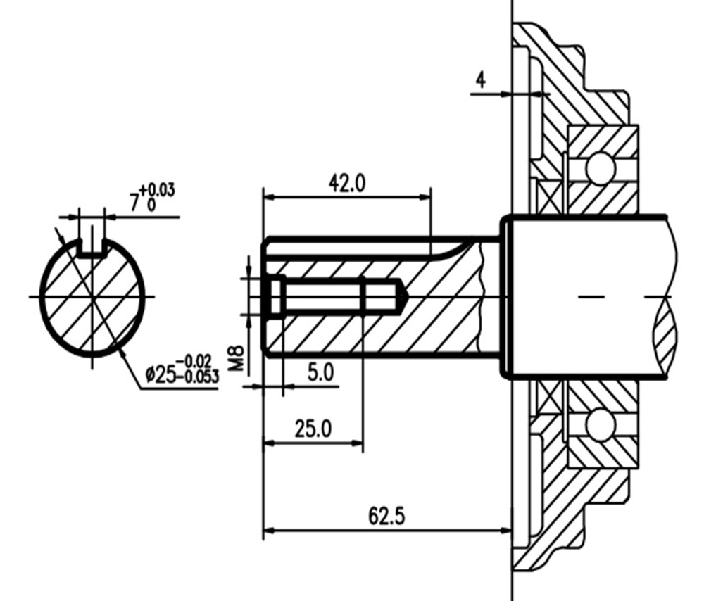
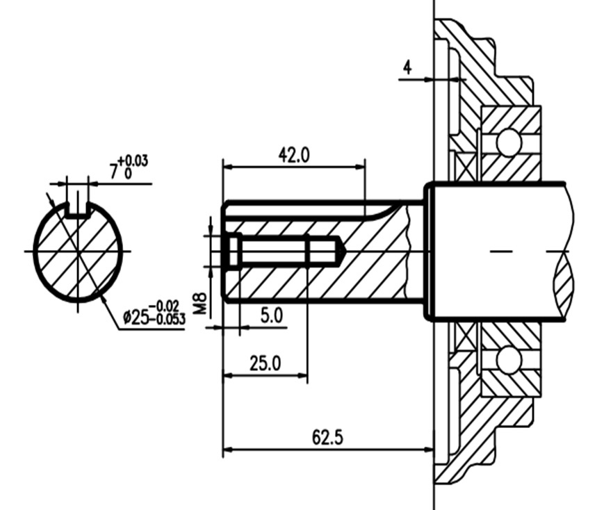
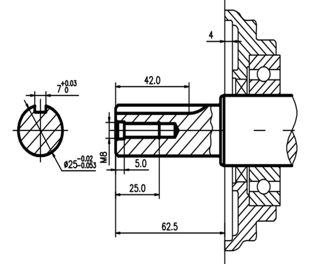
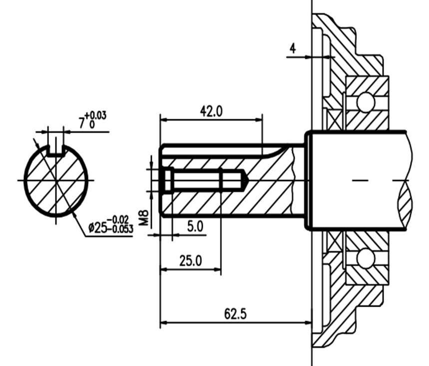
Тип вала
Цилиндр под шпонку. D-25 mm, L - 62.5 mm
Комплектация
Бак, глушитель, ручной стартер.,
Бак топливный, глушитель, стартер ручной, фильтр воздушный.
Масса, кг
32,
36
Вес брутто (кг)
37
Габаритные Размеры (Д;Ш;В; мм)
450х405х443
Габаритные размеры упаковки (Д;Ш;В; мм)
475х465х520,
485х465х520
Все характеристики
Отзывы
Отзывов еще никто не оставлял
