Описание
Характеристики
Отзывы
Описание
Бензиновый двигатель Excalibur разработан для установки на мототехнику различного назначения. Подходит для установки на генераторы электроэнергии, виброплиты, вибротрамбовки, резчики швов, заглаживающие, фрезеровальные машины, мини тракторы, мотоблоки, снегоходы, картинги, квадроциклы, лодочные моторы, мотопомпы и другую всевозможную технику. Эти двигатели сочетают в себе надежность и высокие эксплутационные характеристики. Двигатели поставляются в различной комплектации, поэтому каждый покупатель может выбрать оптимальный для себя вариант.КОМПЛЕКТАЦИЯ 2:Ручной стартер, электро стартер, без бака, без глушителя.
Характеристики
Артикул
026243
Удельный расход топлива (г/кВт*ч)
313
Частота вращения коленвала (об/мин)
3600
Система охлаждения
Воздушная
Расположение цилиндров
Вертикальное
Тактность двигателя
4
Количество цилиндров
1
Вид топлива
Бензин
Рекомендуемый тип масла
SAE 10W-30
Гарантия, срок (мес)
12
Рабочий объем, см3
420
Ёмкость масляной системы (л)
1.1
Мощность номинальная кВт/л.с.
8,5/11,5
Аналоги
Honda GX390, Loncin G420F, Lifan 190F, Champion G390HK
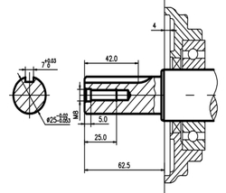
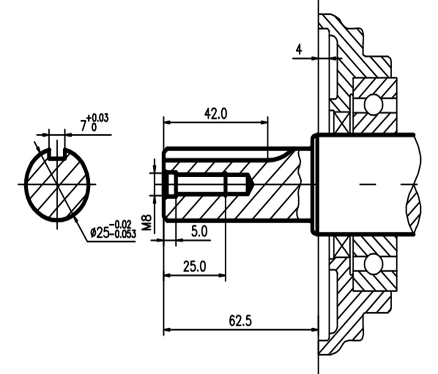
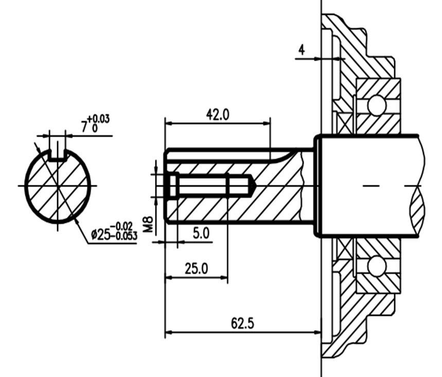
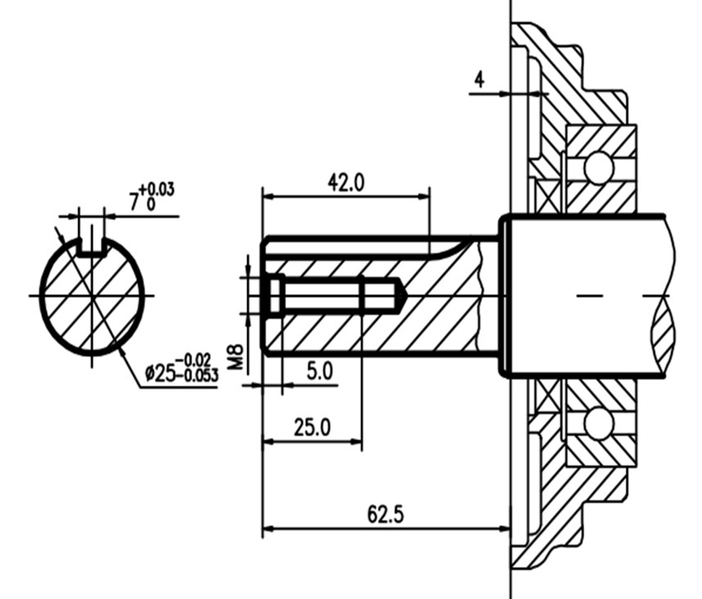
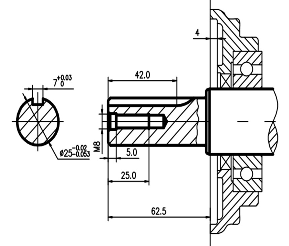
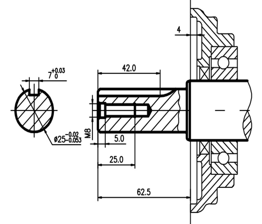
Тип вала
Цилиндр под шпонку. D-25 mm, L - 62.5 mm
Комплектация
Ручной стартер, электро стартер, без бака, без глушителя.
Масса, кг
35
Габаритные размеры упаковки (Д;Ш;В; мм)
475х465х520
Все характеристики
Отзывы
Отзывов еще никто не оставлял
Ранее просмотренные
