Описание
Характеристики
Отзывы
Описание
Бензиновый двигатель Excalibur разработан для установки на мототехнику различного назначения. Подходит для установки на генераторы электроэнергии, виброплиты, вибротрамбовки, резчики швов, заглаживающие, фрезеровальные машины, мини тракторы, мотоблоки, снегоходы, картинги, квадроциклы, лодочные моторы, мотопомпы и другую всевозможную технику. Эти двигатели сочетают в себе надежность и высокие эксплутационные характеристики. Двигатели поставляются в различной комплектации, поэтому каждый покупатель может выбрать оптимальный для себя вариант.КОМПЛЕКТАЦИЯ 1:Бак, глушитель, ручной стартер.
Характеристики
Артикул
026242
Мощность номинальная, кВт
10.5
Мощность максимальная, кВт
11.5
Пусковое устройство (стартер)
Стартер ручной
Мощность номинальная кВт/л.с.
8,5/11,5,
10,5/15
Мощность номинальная кВт/л.с. (3600 об/мин)
11,71/16
Частота вращения коленвала (об/мин)
3600
Рабочий объём двигателя (л)
0,420
Система охлаждения
Воздушная
Расположение цилиндров
Вертикальное
Тактность двигателя
4
Количество цилиндров
1
Вид топлива
Бензин,
АИ-92
Рекомендуемый тип масла
SAE 10W-30
Удельный расход топлива (г/кВт*ч)
313
Гарантия, срок (мес)
12
Рабочий объем, см3
420
Ёмкость масляной системы (л)
1.1
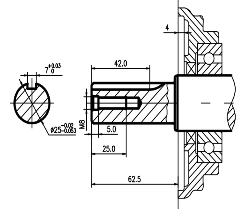
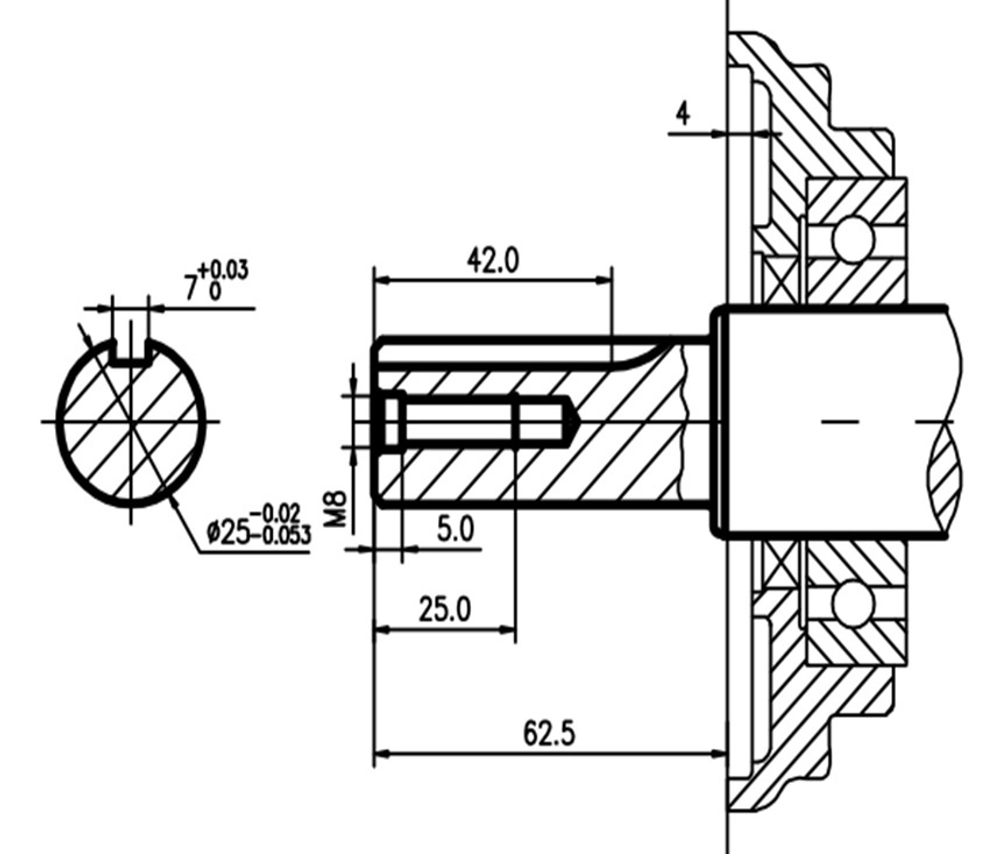
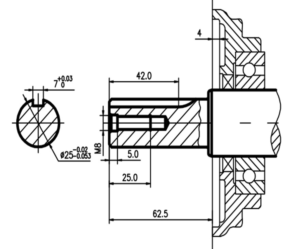
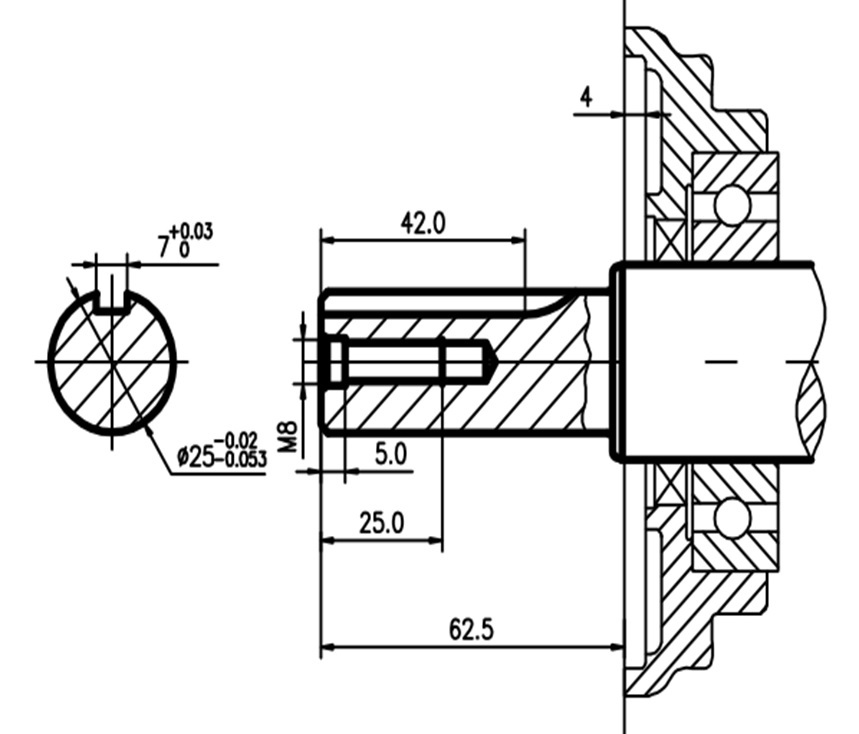
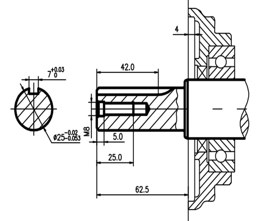
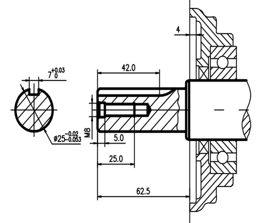
Диаметр вала, мм
25
Аналоги
Honda GX390, Loncin G420F, Lifan 190F, Champion G390HK
Бак, л
6.5
Мощность номинальная кВт/л.с. (3000 об/мин)
10,5/15
Тип вала
Цилиндр под шпонку. D-25 mm, L - 62.5 mm
Комплектация
Бак, глушитель, ручной стартер.,
Бак топливный, глушитель, стартер ручной, фильтр воздушный.
Масса, кг
32,
35
Вес брутто (кг)
35
Все характеристики
Отзывы
Отзывов еще никто не оставлял
Ранее просмотренные
