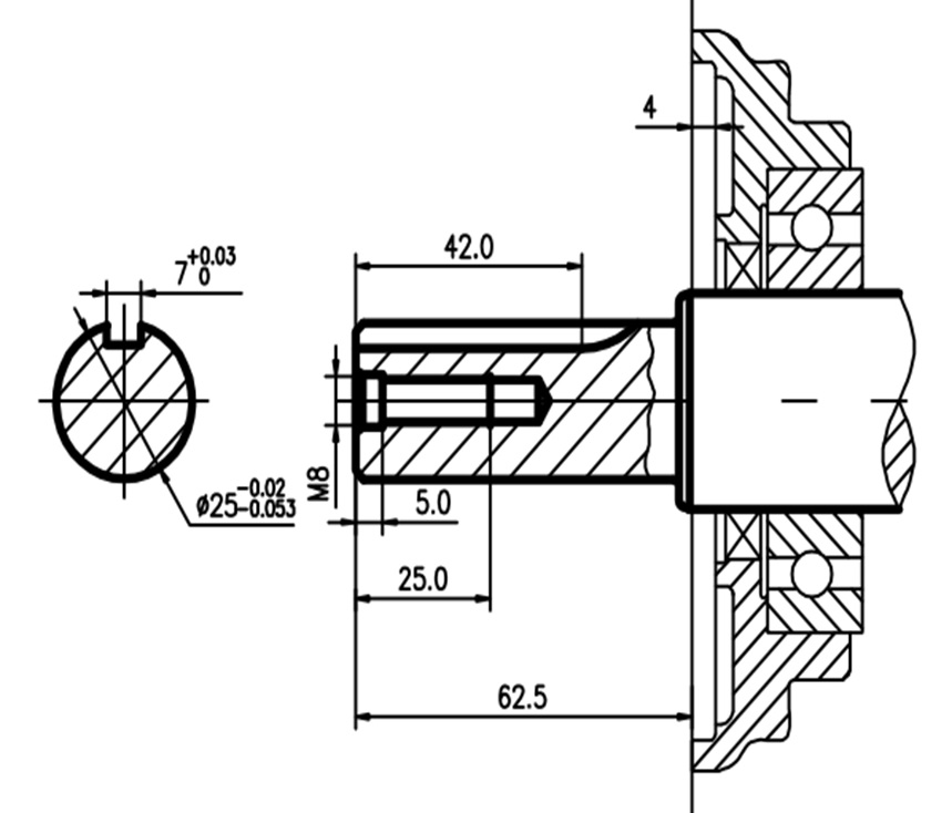
Двигатель бензиновый 4-х тактный, одноцилиндровый, с воздушным охлаждением. Вал под шпонку цилиндрический Ø 25мм, подходит для замены Lifan NP460E D25, Lifan 190FD, Loncin G420FA, Loncin LC192FD (A type), Zongshen ZS 190 FE, Champion G420HK. Изготовителем данных двигателей является завод Excalibur - крупнейший производитель строительной техники, сварочных генераторов и двигателей для малой механизации, которые поставляются в страны Азии, Европы, Африку и Америку.
Двигатель бензиновый G 460/192F (S-тип, вал под шпонку Ø 25мм) - K1: предназначен для установки на виброплиты, резчики швов, заглаживающие и фрезеровальные машины, мини тракторы, мотоблоки, снегоходы, картинги, квадроциклы, лодочные моторы, мотопомпы и другую технику.
Двигатель бензиновый G 460/192F (S-тип, вал под шпонку Ø 25мм) - является аналогом двигателей:
Двигатель Loncin LC192FD (A type) D25 (вал Ø25 мм).
Двигатель Lifan NP460E D25.
Двигатель Zongshen ZS 190 FE (вал Ø25 мм).
Двигатель CHAMPION G420HK (Вал 25мм).
